硝酸液位計是一種新穎的現場檢測儀表,它的主體材質為不銹鋼304/316、可全面取代玻璃管(板)液位計。液位計根據浮力原理和磁性耦合作用原理工作的。當被測容器中的液位升降時,液位計主導管中的浮子也隨之升降,浮子內的*磁鋼通過磁耦合傳遞到現場指示器,驅動紅、白翻柱翻轉180°,當液位上升時,翻柱由白色轉為紅色,當液位下降時,翻柱由紅色轉為白色,指示器的紅、白界位處為容器內介質液位的實際高度,從而實現液位的指示.配電阻型、電流型、開關型遠傳配套儀表,或連接DCS、PLC系統或配上智能數顯控制儀表,則可更方便地實現遠距離檢測、控制和報警。
磁翻板液位計技術指標:
測量精度:±1 cm
測量范圍(L):0~6000介質密度:≥0.45 g/cm3
介質密度:≥0.45 g/cm3
工作溫度 : -20 ℃ -400 ℃
工作壓力 :1.0 1.6 2.5 4.0 6.3 10.0 MPa
連接法蘭尺寸:DN20 DN25 DN40 DN50
磁翻板液位計安裝說明
法蘭連接孔默認為正方形,若不是正方形分布,訂貨時需說明配用活套法蘭。
放置浮子時,浮子重端(磁性端)向上。
液位計超過4米,需增加法蘭或管卡加固。
硝酸液位計結構原理
1.就地指示型
磁浮子液位計是根據液體的浮力和磁性耦合作用的原理設計制造的。當被測容器中的液位上升、下降時,液位計腔體中的浮子也隨之升降(見結構原理圖)。浮子內的磁鋼通過磁耦合傳遞到現場指示器,用紅白兩色(液紅氣白)醒目直觀地指示出容器內的液位或界位,即當液位上升時,指示器由白色轉為紅色,當液位下降時,指示器由紅色轉為白色,指示器的紅、白交界處為容器內介質液(界)位的實際高度。還可通過選配的液位變送器和液位開關實現遠距離檢測和控制。

頂裝式磁浮子液位計安裝在地下儲罐、儲槽或容器的頂部,浮子隨液位(或界面)上、下移動,通過連桿頂部的磁鋼驅動指示器,用紅白兩色(液紅氣白)醒目直觀地指示出容器內的液位或界位。也可通過選配的液位變送器和液位開關實現遠距離檢測和控制。
2.液位開關
液位開關安裝于腔體外側,量程范圍內可任意調節控制位置,單臺液位計可安裝上、下限液位報警開關和多個報警。
液位計腔體內的磁浮子隨液位的變化上下移動,當磁浮子由下而上到達液位開關時設定點時,磁浮子內磁鋼產生的磁場驅動液位開關動作(吸合或斷開),磁浮子繼續上升,開關保持該狀態不變;當磁浮子由上而下到達液位開關設定點時,磁場再次驅動液位開關轉換狀態并保持,因此開關具有穩態記憶功能。
3.液位變送器
液位變送器分為干簧管式和磁致伸縮式兩種形式,捆綁于腔體外側。
干簧管式液位變送器由傳感和轉換兩部分組成。當磁性浮子隨液位上下移動時,對應于液位位置的干簧管受磁浮子內磁場的作用吸合,電阻鏈阻值發生變化,液位的變化轉換成4~20mA標準電流信號輸出,從而實現對液位的顯示、控制、調節和報警。
磁致伸縮式液位變送器測量管內有一根磁致伸縮線,借助微處理器控制的傳感器電路,沿磁致伸縮線發射電流脈沖,從而在磁致伸縮線周圍產生一個環形磁場。磁浮子內部的磁鋼驅使磁致伸縮線沿軸向磁化。兩個磁場疊加處會產生一個扭轉脈沖,并沿磁致伸縮線傳遞到傳感器頂部,脈沖傳送時間被電路單元獲取并計算,從而確定被測液位的位置。傳感器將液位的變化轉換成4~20mA標準電流信號輸出,從而實現對液位的顯示、控制、調節和報警。其優點時是測量精度極高。
硝酸液位計系統構成及接線:
1、上下限開關輸出
由具有自保持作用的舌簧開關和轉換器組成,舌簧開關和轉換器分別安裝于現場和控制室,由轉換器提供三對觸點開關。
2、電遠傳
由測量單元和變送單元兩部分組成。
3、本安防爆
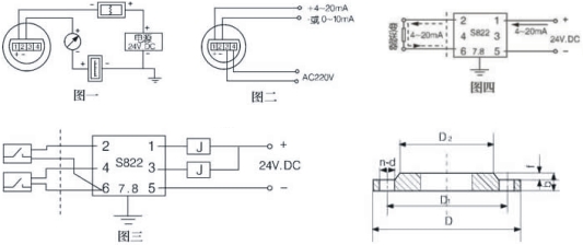
a 帶本安防爆,上、下限開關輸出型
防爆開關由舌簧開關和帶繼電器觸點的安全柵組成,可向用戶直接提供一對常開或常閉觸點。如用戶需更多觸點可特殊設計訂貨。(圖三)
b 帶本安防爆遠傳型
適合使用于∏類電氣設備(工廠用)、C級氣體,-高表面溫度組別T4(135℃)。(圖四)
c 使用注意事項
①變送器外殼設有外接地,用戶使用時必須可靠接地。
②安全柵的使用應遵守有關使用說明內容。
③變送器與安全柵本安端的連接電纜為二芯屏蔽電纜,芯線截面積>0.5m,電纜允許分布電容為0.8μF。

硝酸液位計選型參數表:
| 型號 | 規格編碼 | 內容 | |||||||||||
| XT-UHZ— | 磁翻板液位計 | ||||||||||||
| A | 就地顯示型 | 顯示和遠傳功能選擇 | |||||||||||
| B | 電遠傳型 | ||||||||||||
| C | 報警型(三點報警) | ||||||||||||
| D | 就地顯示電遠傳型 | ||||||||||||
| E | 就地顯示報警型 | ||||||||||||
| F | 電遠傳報警型 | ||||||||||||
| G | 就地顯示電遠傳報警型 | ||||||||||||
| B | 翻板式就地顯示裝置 | ||||||||||||
| A | PN1.0MPa | 工作壓力 | |||||||||||
| B | PN1.6MPa | ||||||||||||
| C | PN2.5MPa | ||||||||||||
| D | PN6.0MPa | ||||||||||||
| 法蘭接口 | |||||||||||||
| F | 接口法蘭標準JB82-59 | ||||||||||||
| E | 額定介質溫度-40℃ | 工作溫度選擇 | |||||||||||
| H | 額定介質溫度100℃ | ||||||||||||
| I | 額定介質溫度350℃ | ||||||||||||
| * | 介質密度:≥0.51(g/cm3) | ||||||||||||
| — | |||||||||||||
| * | 量程:0~6000(mm) | ||||||||||||
| — | |||||||||||||
| E | 帶蒸汽夾套 | ||||||||||||
| D | 隔爆型 | ||||||||||||
| i | 本質安全型 | ||||||||||||
| XT-UHZ—□—□—□—□—□—□—□—□—□—□—□—□—□ | |||||||||||||
液位計校準說明:
1、對翻板顯示的校準 所有液位計在出廠之前均進行嚴格的校準,出廠標準以下法蘭中心線為零點,以上法蘭中心線為滿度,兩法蘭中心距為儀表的使用范圍。用戶如發現進液后標尺和零位與實際有誤差,可松開喉箍,移動翻板的位置,調節翻板(標尺)的位置正好對應實際的液位值。如果發現翻板上翻柱排列雜亂無章,可在安裝前用浮子對準翻柱自上向下移動,使翻柱排列整齊。當翻柱排列整齊并且浮子以下為紅色以上為白色時,說明校準完整,可進水或移動浮子觀察翻柱的變化。
2、傳感器輸出值的校準
⑴按照傳感器接線圖接線,注意24伏的正負。
⑵緩慢進水,使翻柱正好翻到標尺的零位(或用戶事先設定好的位置),調節零位電位器,使電流輸出為4mA
⑶緩慢進水,使翻柱正好翻到標尺的滿度(或用戶事先設定好的位置),調節滿度電位器,使電流輸出值正好為20mA
⑷重復以上步驟,直到輸出準確為止。一般出廠均已調整過,用戶無需再調節。如需調節,一般 調節2至3遍即可。




